A-A-52525A

|
Type |
Peak Value (g's) 1/ |
Normal Duration (D) ms 2/ |
Velocity Change (Vi) m/s 3/ |
|
I, II, and III |
100 |
6 |
2.96 |
|
IV |
50 |
6 |
2.96 |
NOTES:
1/ Gravitational acceleration (g).
2/ Millisecond (ms).
3/ Meter per second (m/s).
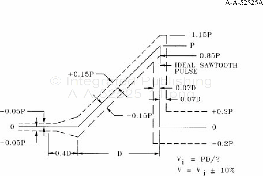
4/ The oscillogram should include a time about 3D long with the pulse approximately in the center. The integration to determine the velocity change should extend from .4D before the pulse to .1D beyond the pulse. The peak acceleration magnitude of the sawtooth pulse is P and its duration is D. Any measured acceleration pulse which can be contained between the broken line boundaries is a nominal terminal-peak sawtooth pulse of nominal peak value, P, and nominal duration, D. The velocity-change associated with the measured acceleration pulse is V.
FIGURE 6. Tolerances for shock pulse.
For Parts Inquires call Parts Hangar, Inc (727) 493-0744
© Copyright 2015 Integrated Publishing, Inc.
A Service Disabled Veteran Owned Small Business