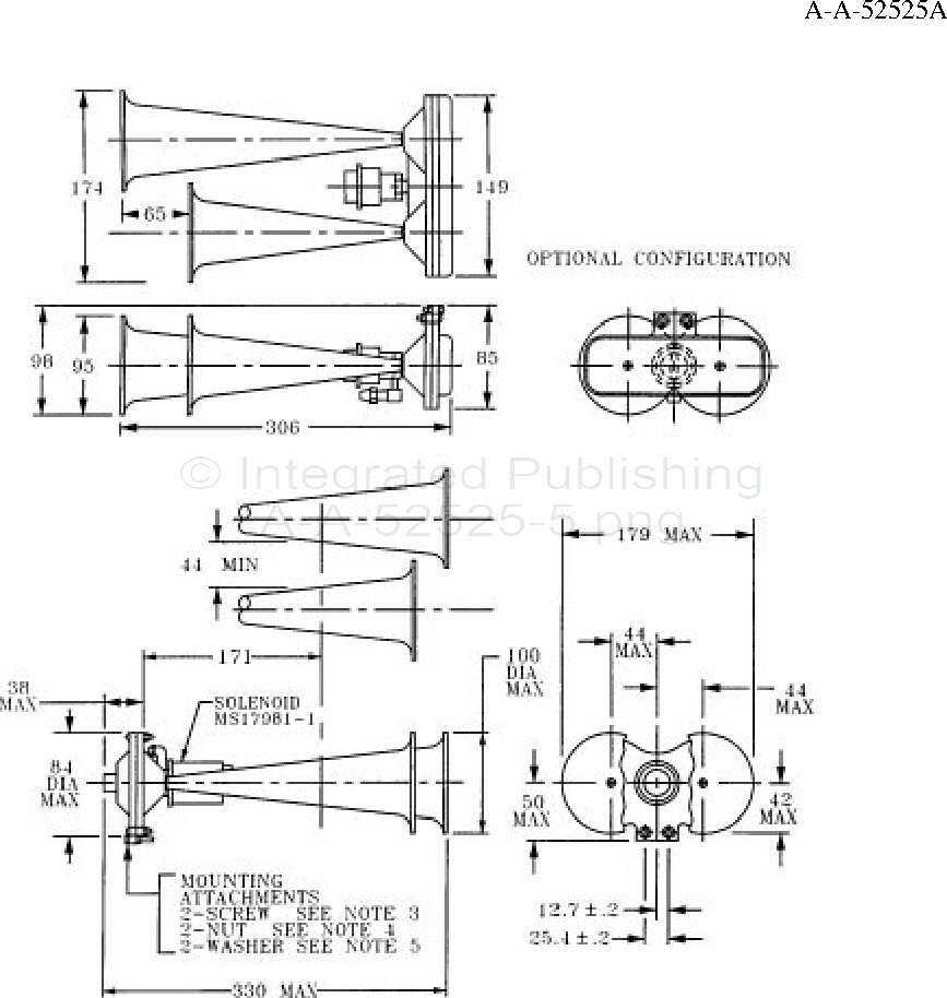
A-A-52525A

NOTES: 1. Dimensions are in millimeters.
2. Unless otherwise specified, tolerances are + 1 mm.
3. Screw, 6 mm, cap, hexagon head, 30 mm long, steel, SAE Grade 5.
4. Nut, 6 mm, plain, hexagon, carbon steel, SAE Grade B.
5. Washer, 6 mm, lock, flat-internal tooth, carbon steel.
|
Former MS Part Number |
Nominal Voltage |
Superseding PIN Number |
|
MS51301-1 MS51301-2 |
24 V dc 12 V dc |
AA52525-11 AA52525-12 |
FIGURE 1. Type I horns.
For Parts Inquires call Parts Hangar, Inc (727) 493-0744
© Copyright 2015 Integrated Publishing, Inc.
A Service Disabled Veteran Owned Small Business