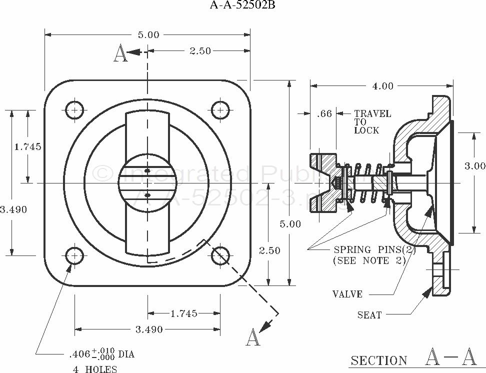
A-A-52502B

|
PIN |
Former MS part number |
|
AA52502-1 |
MS51345-2 |
NOTES:
1. Dimensions shown are for engineering reference only.
2. Corrosion resistant, steel spring pins with 0.125 in. nominal diameter and a length of 0.750 +0.015 in. (see 6.5).
FIGURE 1. Valve assembly.
For Parts Inquires call Parts Hangar, Inc (727) 493-0744
© Copyright 2015 Integrated Publishing, Inc.
A Service Disabled Veteran Owned Small Business