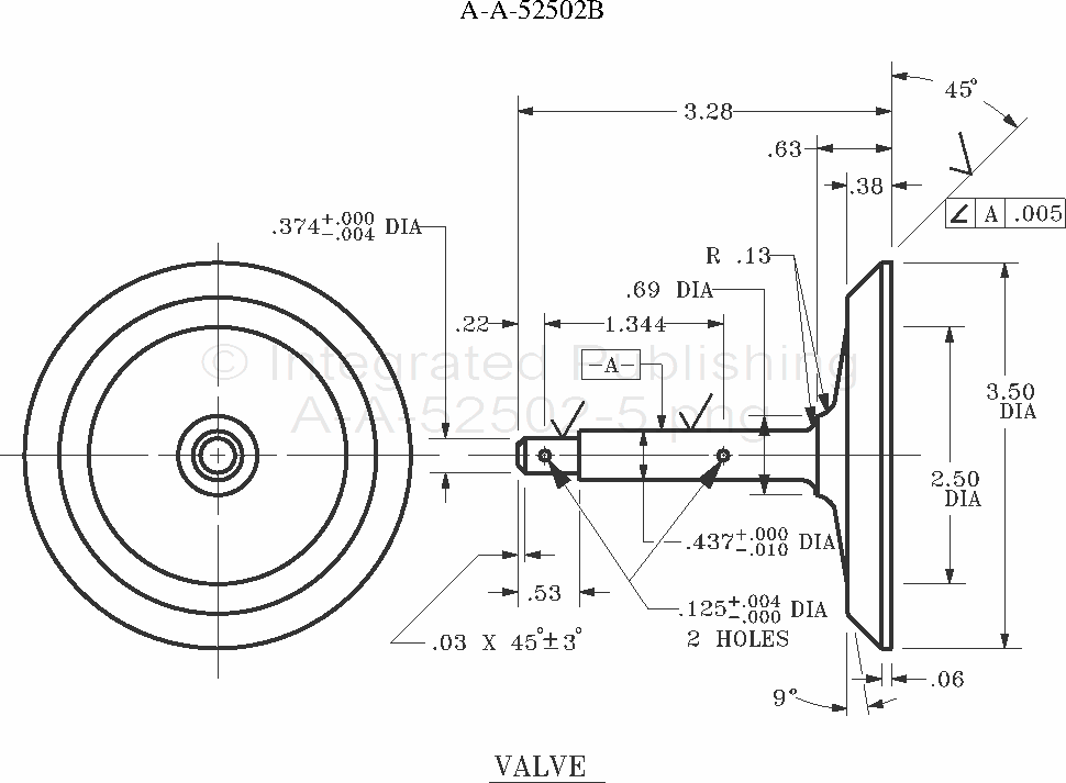
A-A-52502B

|
PIN |
Former MS part number |
|
AA52502- |
MS51343-2 |
NOTES:
1. Dimensions are in inches. Unless otherwise specified, tolerances are: Machined surfaces 2 decimals ± 0.015, 3 decimals ± 0.005, angles ± 0 30’. Unmachined surfaces 2 decimals ± 0.031, angles ± 1°.
2. Unless otherwise specified, all machined surfaces shall be 125 microinches root mean square (rms) where surface roughness symbol is shown. All burrs and sharp edges shall be removed.
FIGURE 3. Valve.
For Parts Inquires call Parts Hangar, Inc (727) 493-0744
© Copyright 2015 Integrated Publishing, Inc.
A Service Disabled Veteran Owned Small Business