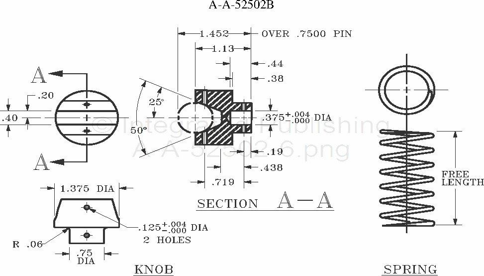
A-A-52502B
[IMAGE HERE]
|
PIN |
Former MS part number |
|
AA52502-4 |
MS51349-1 |

|
PIN |
Former MS part number |
|
AA52502-5 |
MS51350-1 |
SPRING SPECIFICATION
|
DIAMETER OF WIRE |
0.095 |
|
DIAMETER OF COIL (INSIDE) |
0.91 ± 0.03 |
|
FREE LENGTH |
2.360 ± 0.020 |
|
ACTIVE COILS |
6.25 |
|
TOTAL COILS |
7.50 |
|
DIRECTION OF HELIX |
OPTIONAL |
|
LOAD AT COMPRESSED LENGTH OF 1.03 |
16 ± 1.5 POUNDS (LB) |
|
SPRING RATE |
12 LB/IN |
|
SOLID LENGTH |
0.81 MAX |
|
TYPE OF ENDS |
CLOSED ENDS GROUND |
|
SQUARENESS OF ENDS IN FREE POSITION WITHIN 3° |
|
NOTES:
1. Dimensions are in inches. Unless otherwise specified, tolerances are:
a. Knob tolerances are: on 2 decimals ± 0.015, on 3 decimals ± 0.005, angles ± 030’.
b. Spring tolerances are: on 2 decimals ± 0.031, on 3 decimals ± 0.020.
2. All knob machined surfaces shall be 125 microinches. All burrs and sharp edges shall be removed.
FIGURE 4. Knob and spring.
For Parts Inquires call Parts Hangar, Inc (727) 493-0744
© Copyright 2015 Integrated Publishing, Inc.
A Service Disabled Veteran Owned Small Business